0551-64294899/15056056699
网站首页
产品展示
白酒设备
白酒酿酒设备
蒸粮摊凉拌曲设备
酒类过滤机
白酒过滤机
果酒过滤机
果酒设备
果酒生产设备
水果前期处理设备
酿酒原料
家家兴酒曲
果酒原料
酒类灌装生产线
洗瓶机 灌装机
压盖 烘干机
米酒黄酒设备
蒸汽发生器
成功案例
公司简介
新闻资讯
联系我们
解决方案
产品栏目
白酒设备
白酒酿酒设备
蒸粮摊凉拌曲设备
酒类过滤机
白酒过滤机
果酒过滤机
果酒设备
果酒生产设备
水果前期处理设备
酿酒原料
家家兴酒曲
果酒原料
酒类灌装生产线
洗瓶机 灌装机
压盖 烘干机
米酒黄酒设备
蒸汽发生器
产品中心
首页
>
白酒设备
>
蒸粮摊凉拌曲设备
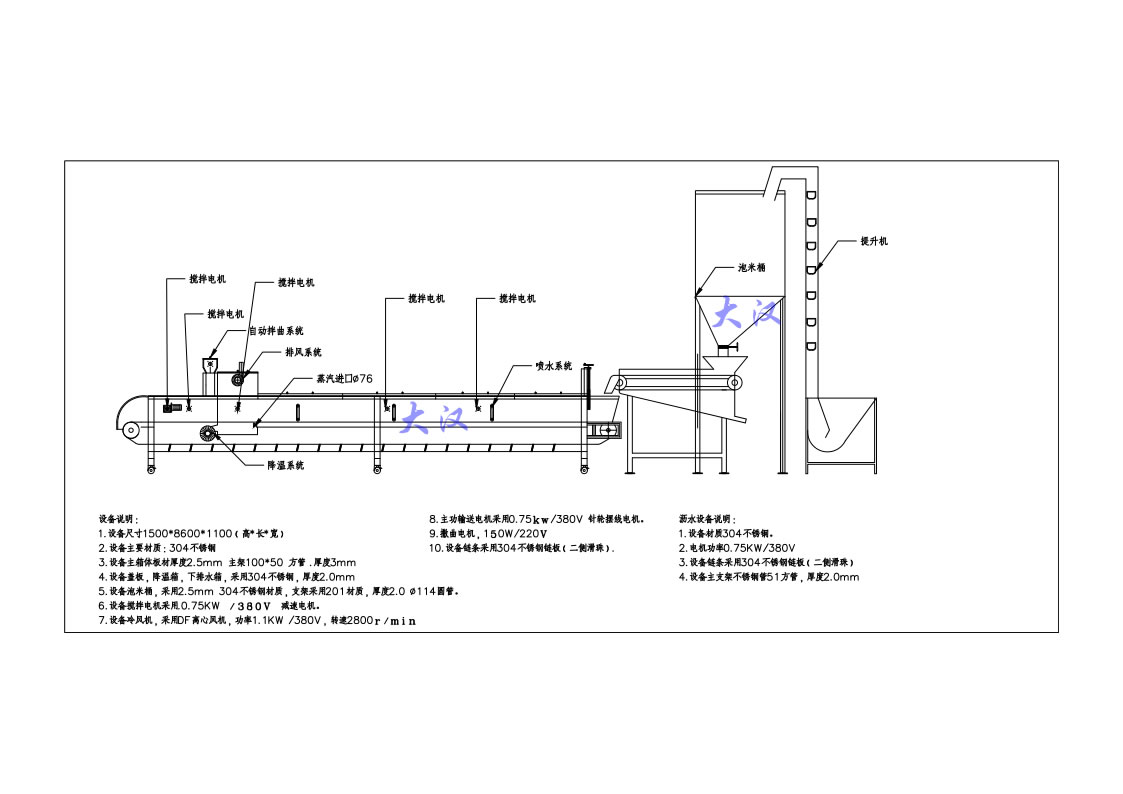
连续蒸饭设备 连续蒸米 高粱 麦子蒸粮设备
连续蒸饭设备 连续蒸米 高粱 麦子蒸粮设备
商品介绍
点击查看视频
连续蒸粮设备适用于:
大米、高梁、麦子等,产量:每小时300-5000公斤定制,蒸汽量:根据不同产量需要蒸汽流量不同;设备从洗粮、泡粮、蒸粮、冷粮、拌酒曲一次完成;大大节省了劳动强度,
节水省能,采用立体焖饭结构,充分吸收和利用热源,洗米净水循环使用,节约用水,安全省力,流水线生产,自动化操作,安全节省人力。
0551-64294899/15056056699
电子邮箱:
50731193@qq.com
公司地址:
合肥市新蚌埠路佳海工业园C区75号楼
TOP